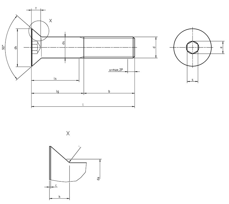
HEXAGON SOCKET COUNTERSUNK SCREWS

DIN 7991

din-7991 din-7991-screw

Steel Grades: 8.8, 10.9
Finish: Self, Black, Bright Zinc, Hot Dip Galvanized

Thread dM3M4M5M6M8M10M12(M14)M16(M18)M20(M22)M24
P0,50,70,811,251,51,75222,52,52,53
a
0
90°60°
bl?125mm12141618222630343842465054
125<l?200mm24283236404448525660
l>200mm4549535761656973
capprox.0,20,30,30,30,40,50,50,50,50,50,511
dknominal=max.681012162024273033363639
min.5,77,649,6411,5715,5719,4823,4826,4829,4832,3835,3835,3838,38
damax.3,64,75,76,89,211,213,715,717,720,222,424,426,4
dsnominal=max.345681012141618202224
min.2,863,824,825,827,789,7811,7313,7315,7317,7319,6721,6723,67
emin.2,32,873,444,585,726,869,1511,4311,4313,7213,721616
kmax.1,72,32,83,34,45,56,577,588,513,114
rmin.0,10,20,20,30,50,51111111,6
snominal22,534568101012121414
min.2,022,523,024,025,026,028,02510,02510,02512,03212,03214,03214,032
max.2,12,63,14,125,146,148,17510,17510,17512,21212,21214,21214,212
tnominal=max.1,21,82,32,53,54,44,64,85,35,55,98,810,3
min.0,951,52,052,253,24,14,34,555,25,68,449,87
Thread dM3M4M5M6M8M10M12
llengths ls and lg
nominalmin.max.ls min.lg max.ls min.lg max.ls min.lg max.ls min.lg max.ls min.lg max.ls min.lg max.ls min.lg max.
87,718,293,24,45,26,3
109,7110,293,24,45,26,38,2
1211,6512,353,24,45,26,38,210
1615,6516,353,24,45,26,38,210
2019,5820,423,24,45,26,38,21011,8
2524,5825,4210,5134,45,26,38,21011,8
3029,5830,4215,51812,5165,26,38,21011,8
3534,535,517,52115196,38,21011,8
4039,540,522,526202417228,21011,8
5049,550,53034273221,72816,52411,8
6059,460,631,73826,53421,2530
7069,470,636,54431,2540
Thread d(M14)M16(M18)M20(M22)M24
llengths ls and lg
nominalmin.max.ls min.lg max.ls min.lg max.ls min.lg max.ls min.lg max.ls min.lg max.ls min.lg max.
2019,5820,42
2524,5825,4213
3029,5830,421313,5
3534,535,51313,515,516
4039,540,51313,515,51620,6
5049,550,51313,515,51620,623
6059,460,6162613,515,51620,623
7069,470,62636223215,5281620,623
8079,480,63646324225,53821,53420,623
9089,390,7425235,54831,54427,54023
10099,3100,745,55841,55437,5503146
7069,470,636,544

Attachment Socket Countersunk Head Machine Screws are made to DIN standard 7991 and host a hexagonal break. They can be driven utilizing a hex wrench or addition bit.

The driving of this screw with a hex wrench or supplement bit makes these screws more proficient than opened screw items, as the hex attachment drive has more protection from cam-out, and can be utilized close by power drivers, empowering quicker establishment and higher force to be accomplished. Accessible in steel grade 10.9, in A2 and A4 hardened steel, and in metal, aluminum or titanium whenever required. As standard these screws are accessible from M2 to M36, with different distances across and lengths accessible as specials.

A DIN 7991 Hexagon Socket Countersunk Screw is an assortment of latch that sits flush with the outside of the material (either plastic or a flimsy metal) it fills. These latches regularly are implicit such a way that the purchaser has the alternative of concealing them rather without any problem. For the most part a purchaser would cover these screws with the assistance of either a screw cap keeping in reference with a Din 7991 Weight Chart or piece of wood. Different uses of these clasp incorporate the prerequisite for an affixing gadget that doesn’t distend. Consequently, different articles can just settle upon the space where the clasp has been utilized steadily. The regular point of a subset Screw Specifications head is 82 degrees. Notwithstanding, this would fluctuate contingent upon its usage.

All data for information purpose only. For more details on product standards or dimensions, please feel free to contact us at info@tfit.in