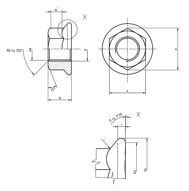
HEXAGON NUT WITH FLANGE
DIN 6923 / ISO 4162
Steel Hardness: 4, 8, 10
Finish: Self, Black, Bright Zinc, Hot Dip Galvanized
| Thread size d | M5 | M6 | M8 | M10 | M12 | M14 | M16 | M20 | |
| – | – | M8x1 | M10x1,25 | M12x1,5 | M14x1,5 | M16x1,5 | M20x1,5 | ||
| – | – | – | (M10x1) | (M12x1,5) | – | – | – | ||
| P | 0,8 | 1 | 1,25 | 1,5 | 1,75 | 2 | 2 | 2,5 | |
| c | min. | 1 | 1,1 | 1,2 | 1,5 | 1,8 | 2,1 | 2,4 | 3 |
| da | min. | 5 | 6 | 8 | 10 | 12 | 14 | 16 | 20 |
| max. | 5,75 | 6,75 | 8,75 | 10,8 | 13 | 15,1 | 17,3 | 21,6 | |
| dc | max. | 11,8 | 14,2 | 17,9 | 21,8 | 26 | 29,9 | 34,5 | 42,8 |
| dw | min. | 9,8 | 12,2 | 15,8 | 19,6 | 23,8 | 27,6 | 31,9 | 39,9 |
| e | min. | 8,79 | 11,05 | 14,38 | 16,64 | 20,03 | 23,36 | 26,75 | 32,95 |
| m | max. | 5 | 6 | 8 | 10 | 12 | 14 | 16 | 20 |
| min. | 4,7 | 5,7 | 7,6 | 9,6 | 11,6 | 13,3 | 15,3 | 18,9 | |
| m´ | min. | 2,2 | 3,1 | 4,5 | 5,5 | 6,7 | 7,8 | 9 | 11,1 |
| s | nominal=max. | 8 | 10 | 13 | 15 | 18 | 21 | 24 | 30 |
| min. | 7,78 | 9,78 | 12,73 | 14,73 | 17,73 | 20,67 | 23,67 | 29,67 | |
| r | max. | 0,3 | 0,36 | 0,48 | 0,6 | 0,72 | 0,88 | 0,96 | 1,2 |
DIN 6923 ISO 4161 Flange Nut is sufficient for use in most apparatus and gear, it is a medium-strength metric nuts which have serrations on the underside of the rib. With gentle vibration the serrations prevent the nuts from extricating in applications. ISO 4161 Flange Nut gives a couple of the characterizing ascribes of a washer. It is utilized to spread the heap uniformly to stay away from lopsided attaching surface of the activities.
The likewise guarantees that the latches are set up without moving about freely. It tends to be utilized as a substitution to the washer and nut blend. In this manner, it is savvy and quality substitute for nuts and washers if your task is an enormous scope one. It is accessible in changing sizes to permit its utilization with a few bolts, each with various dimensional norms. One more benefit of it is that they stop the releasing of electrical parts and machining while as yet permitting the free parts to move uninhibitedly. DIN 6923 ISO 4161 Serrated Flange Nut are hex nuts with non-turning washers appended at the base.
Underneath the washers are serrations which keep them from being utilized with washers or on surfaces that can be damaged and assist the nuts with safely attaching when vibrations are available. ISO 4161 Hex Flange Nut is the most normally utilized mating part to go with a fastener or an equal strung screw. It is hex nuts with a wide flanged segment almost one end that goes about as an incorporated non-turning washer. It is utilized to spread the heap set on the nut over a more extensive surface region to forestall harm to the establishment material.

